
產品簡介:LS型螺旋輸送機是按照JB/T679-95《螺旋輸送機》標準設計制造,是GX型螺旋輸送機的換代產品。頭部及尾部軸承移至殼體外,吊軸承采用滑動軸承,沒有防塵密封裝置,軸瓦一般采用粉末冶金,輸送水泥采用毛氈軸瓦,吊軸和螺旋軸采用滑塊連接,拆卸螺旋時,不用移動驅動裝置,拆卸吊軸承時不用移動螺旋,不拆卸蓋板可以潤滑吊軸承,整機可靠性高,壽命長,適應性強,安裝維
全國統一銷售熱線:0373-268 2333
LS型螺旋輸送機是按照JB/T679-95《螺旋輸送機》標準設計制造,是GX型螺旋輸送機的換代產品。頭部及尾部軸承移至殼體外,吊軸承采用滑動軸承,沒有防塵密封裝置,軸瓦一般采用粉末冶金,輸送水泥采用毛氈軸瓦,吊軸和螺旋軸采用滑塊連接,拆卸螺旋時,不用移動驅動裝置,拆卸吊軸承時不用移動螺旋,不拆卸蓋板可以潤滑吊軸承,整機可靠性高,壽命長,適應性強,安裝維修方便。

LS型螺旋輸送機也是工農業各部門機械化運輸工作的主要機組,可使運輸工作減輕勞動強度,提高工作效率,應用范圍很廣。適用于各行業,如建材、化工、電力、冶金、煤炭、糧食等行業,適用于水平或傾斜輸送粉狀、粒狀和小塊狀物料,如煤、灰、渣、水泥、糧食等。

LS型螺旋輸送機,又稱螺旋輸送機,是常用的物料輸送設備,其優點主要體現在以下幾個方面:
承載能力大: 采用堅固的結構設計,螺旋葉片和槽體均采用優質材料制造,能夠承受較大重量的物料,輸送機運行穩定,安全可靠,配備安全保護裝置。
使用壽命長: 可以根據實際需要,適應不同物料的輸送需求,結構簡單,安裝維修方便,易于拆卸和組裝,采用優質材料和工藝制造,耐腐蝕、耐磨損,壽命長。
體積小、轉速高: 占地面積小,節省空間,適合安裝在狹窄的空間。LS螺旋輸送機轉速高,能夠快速均勻地輸送物料,提高輸送效率。
低噪音:出料端設有清掃裝置,整機噪聲低、適應性強,進出料口位置布置靈活。
密封性好: LS螺旋輸送機采用密封設計,防止物料泄漏,外殼采用無縫鋼管制作,端部采用法蘭互相連接成一體,剛性好。


LS型螺旋輸送機的工作原理是利用旋轉的螺旋葉片將物料沿水平或傾斜方向輸送。當螺旋葉片旋轉時,葉片與槽體之間的摩擦力會推動物料向前移動。同時,螺旋葉片的螺旋形結構能夠將物料向上提升,并在槽體內形成螺旋狀流動。物料在螺旋葉片的推動和螺旋狀流動下,不斷向前輸送,直到到達出料口。LS型螺旋輸送機的工作原理簡單易懂,結構緊湊,操作方便,能夠有效地輸送各種粉狀、顆粒狀、小塊狀的物料。
LS型螺旋輸送機憑借其高效、穩定的輸送能力和優良的密封性能,廣泛應用于糧食加工、化工、建材、礦山和制藥等多個行業,成為各類物料輸送的理想選擇。

糧食加工:在糧食加工領域,LS型螺旋輸送機用于輸送小麥、大米、玉米等糧食作物。設備運行平穩,適應性強,能夠高效處理大批量物料輸送任務。
化工行業:LS型螺旋輸送機在化工行業中用于輸送化肥、粉狀化工原料等。其結構緊湊,操作簡便,能夠在密封狀態下輸送,防止有毒有害物料泄漏,保護環境和操作人員安全。
建材行業:在建材行業,LS型螺旋輸送機用于輸送水泥、砂子、石灰等原料。設備具有耐磨損、耐腐蝕的特點,適應惡劣環境,能夠長期穩定運行,滿足高強度生產需求。
礦山行業:礦山行業中,LS型螺旋輸送機用于輸送煤炭、礦石、粉煤灰等礦物。其堅固的結構設計和強大的輸送能力,能夠處理重載和大顆粒物料,確保生產線的高效運轉。
制藥行業:在制藥行業,LS型螺旋輸送機用于輸送藥粉、顆粒藥品等。設備采用不銹鋼材質,確保衛生和安全。其易于清洗和維護,適合高衛生要求的生產環境。
| 型號 規格 |
螺旋 直徑 mm D |
螺距 mm s |
轉速 r/min n |
標準體積輸送量 | 轉速 r/min |
標準體積輸送量 | 轉速 r/min |
標準體積輸送量 | 轉速 r/min |
標準體積輸送量 | |||||||||
| Iv(m3/h) | Iv(m3/h) | Iv(m3/h) | Iv(m3/h) | ||||||||||||||||
| ¢ | ¢ | ¢ | ¢ | ¢ | ¢ | ¢ | ¢ | ¢ | ¢ | ¢ | ¢ | ¢ | ¢ | ¢ | |||||
| 0.45 | 0.33 | 0.15 | n | 0.45 | 0.33 | 0.15 | n | 0.45 | 0.33 | 0.15 | n | 0.45 | 0.33 | 0.15 | |||||
小 型 |
LS100 | 100 | 100 | 140 | 3.0 | 2.2 | 1.0 | 112 | 2.4 | 1.7 | 0.8 | 90 | 1.9 | 1.4 | 0.6 | 71 | 1.5 | 1.1 | 0.5 |
| LS125 | 125 | 125 | 125 | 5.2 | 3.8 | 1.7 | 100 | 4.1 | 3.0 | 1.4 | 80 | 3.3 | 2.4 | 1.1 | 63 | 2.6 | 1.9 | 0.9 | |
| LS160 | 160 | 160 | 112 | 9.7 | 7.1 | 3.2 | 90 | 7.8 | 5.7 | 2.6 | 71 | 6.2 | 4.5 | 2.1 | 56 | 4.9 | 3.6 | 1.6 | |
| LS200 | 200 | 200 | 100 | 16.9 | 12.4 | 5.6 | 80 | 13.5 | 9.9 | 4.5 | 63 | 10.7 | 7.8 | 3.6 | 50 | 8.5 | 6.2 | 2.8 | |
| 中 型 |
LS250 | 250 | 250 | 90 | 29.7 | 21.8 | 9.9 | 71 | 23.5 | 17.2 | 7.8 | 56 | 18.5 | 13.6 | 6.2 | 45 | 14.9 | 10.9 | 5.0 |
| LS315 | 315 | 315 | 80 | 52.9 | 38.8 | 17.6 | 63 | 41.6 | 30.5 | 13.9 | 50 | 33.1 | 24.2 | 11.0 | 40 | 26.4 | 19.4 | 8.8 | |
| LS400 | 400 | 355 | 71 | 85.3 | 62.5 | 28.4 | 56 | 67.3 | 49.3 | 22.4 | 45 | 54.1 | 39.6 | 18 | 36 | 43.2 | 31.7 | 14.4 | |
大 型 |
LS500 | 500 | 400 | 63 | 133.2 | 97.7 | 44.4 | 50 | 105.8 | 77.6 | 35.3 | 40 | 84.6 | 62.0 | 28.2 | 32 | 67.7 | 49.6 | 22.6 |
| LS630 | 630 | 450 | 50 | 188.9 | 138.5 | 63.0 | 40 | 151.1 | 110.8 | 50.4 | 32 | 120.9 | 88.6 | 40.3 | 25 | 94.4 | 69.3 | 31.5 | |
| LS800 | 800 | 500 | 40 | 270.7 | 198.5 | 90.2 | 32 | 216.6 | 158.8 | 72.2 | 25 | 169.2 | 124.1 | 56.4 | 20 | 135.4 | 99.3 | 45.1 | |
大 型 |
LS1000 | 1000 | 560 | 32 | 379.0 | 277.9 | 126.3 | 25 | 296.1 | 217.1 | 98.7 | 20 | 236.9 | 173.7 | 79.0 | 16 | 189.5 | 139.0 | 63.2 |
| LS1250 | 1250 | 630 | 25 | 520.5 | 381.7 | 173.5 | 20 | 416.4 | 305.4 | 138.8 | 16 | 333.1 | 244.3 | 111.0 | 13 | 270.7 | 198.5 | 90.2 |
|
L S 400*25*50M1
┬ ┬ ┬ ┬ ┬ ┬
│ │ │ │ │ │
│ │ │ │ │ │
│ │ │ │ │ └──────── 軸承類別
│ │ │ │ └────────── 選用轉速rpm
│ │ │ │
│ │ │ └───────────- 螺旋機長度M
│ │ │
│ │ └───────────── 螺旋直徑mm
│ │
│ └──────────────- S為水平式
│
└──────────────── L為螺旋
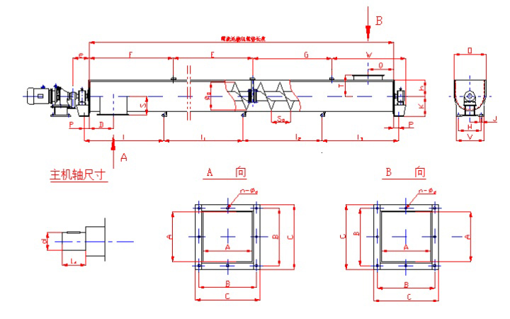
LS型、GX型螺旋輸送機主要技術參數:


通常情況下,LS型螺旋輸送機的葉片厚度在2-6mm之間。以下是一些建議:
輕型輸送機: 2-3mm
中型輸送機: 3-4mm
重型輸送機: 4-6mm
需要注意的是,以上只是參考數據,實際葉片厚度需要根據具體情況進行設計計算。
LS型螺旋輸送機的葉片厚度取決于多種因素,包括:
輸送物料的性質: 物料的密度、顆粒大小、磨損性等都會影響葉片厚度。例如,輸送高密度、易磨損物料時,需要較厚的葉片。
輸送量: 輸送量越大,葉片需要承受更大的負荷,因此需要更厚的葉片。
螺旋直徑: 螺旋直徑越大,葉片也需要更厚,以保證足夠的強度和剛度。
輸送距離: 輸送距離越長,葉片需要承受更大的扭矩,因此需要更厚的葉片。
螺旋間距: 螺旋間距越小,葉片承受的扭矩越大,因此需要更厚的葉片。
1. 嚴禁超負荷運行,避免物料堵塞。
2. 定期檢查葉片、軸承等部件,及時更換磨損部件。
3. 保持機體清潔,避免物料堆積。
4. 潤滑系統應正常運行,確保各部件良好潤滑。
5. 啟動前檢查電源是否接通,方向是否正確。
6. 停機后應及時切斷電源。
7. 操作人員應熟練掌握操作規程,并嚴格遵守安全操作規程。
新鄉大漢LS型螺旋輸送機價格范圍在3000元~43000元之間。

LS型螺旋輸送機的價格會受到多個因素的影響,主要影響因素包括:
輸送機的尺寸: 包括長度、直徑、螺旋間距等。輸送機尺寸越大,價格越高。
輸送能力: 輸送量越大,所需電機功率越大,價格越高。
物料性質: 輸送物料的密度、磨損性、腐蝕性等都會影響輸送機的材質選擇,進而影響價格。
材質選擇: 輸送機材質的不同也會影響價格,例如不銹鋼材質的價格會高于普通碳鋼材質。
制造工藝: 不同的制造工藝,例如焊接、鑄造等,也會影響價格。
建議您聯系新鄉大漢螺旋輸送機生產廠家,提供您的具體需求,例如輸送物料、輸送量、長度、直徑等參數,以便獲得更準確的報價。

新鄉大漢廠家是一家專業生產LS型螺旋輸送機等物料輸送設備的廠家,擁有多年的生產經驗和雄厚的技術力量。生產的產品質量穩定可靠,性能優越,廣泛應用于化工、建材、冶金、礦山等行業。大漢LS型螺旋輸送機采用優質鋼材制作,結構合理,耐用性強。大漢廠家擁有完善的質量管理體系,產品通過了ISO9001質量體系認證,并擁有多項自主知識產權。大漢機械秉承“誠信、高效、共贏”的經營理念,致力于為客戶提供優質的產品和服務。新鄉大漢廠家還提供全面的售后服務,包括設備安裝、調試和維護,確保客戶在使用過程中無后顧之憂。如果您需要了解更多關于新鄉大漢LS型螺旋輸送機的信息,請隨時聯系我們。